欢迎访问同路生物制药有限公司!
首页
关于同路
产品介绍
安全保障
新闻中心
浆站展示
人才招聘
联系我们
首页
关于同路
产品介绍
安全保障
新闻中心
浆站展示
人才招聘
联系我们
安全保障
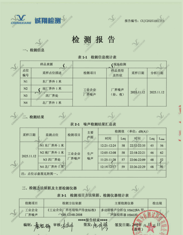
环保检测报告信息公开第四季度
日期:2025-12-02
来源:
浏览:
网站首页
走进同路
公司简介
新闻资讯
公司新闻
产品中心
冻干静注人免疫球蛋白(pH4)
人血白蛋白
人免疫球蛋白
静注人免疫球蛋白(pH4)
乙型肝炎人免疫球蛋白
浆站展示
南陵县同路单采血浆站有限公司
广德县同路单采血浆站有限公司
泾县同路单采血浆站有限公司
商都县同路单采血浆有限公司
翁牛特旗同路单采血浆有限公司
人才招聘
招聘列表
联系我们
联系方式
地址:中国·合肥市高新区燕子河路376号
营销中心:0551-63613868
质量保证部:0551-63613880 / 0551-63637102
传真:0551-63638555
Copyright © 2017 同路生物制药有限公司.
皖ICP备18024434号-1
All Rights Reserved. Designed by
Wanhu
皖公网安备34019202002400